Our new EFFI-RING-LG has been released, contact us for more information !

EFFI-RLSQ

Label inspection and flat surface analysis

EFFI-RLSQ Ring Light features two to three rows of LEDs, delivering powerful and uniform illumination for industrial vision systems. Its space-saving design ensures easy integration into robots, production lines, special machines, and conveyors. Ideal for label inspection, flat surface analysis, and the inspection of parts made from steel, cast iron, plastic, or wood, EFFI-RLSQ offers reliable performance across a wide range of inspection tasks.

Wavelength (nm)
465 (Blue)

525 (Green)

625 (Red)

940 (Infrared)

000 (White)

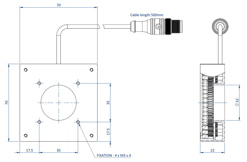
EFFI-RLSQ is connected to the supply by a M12 4-pin connector.

You can find the drawing and the weight of the products in the technical doc page.

Similar Products

Enhance surface visibility in machine vision systems
High-contrast illumination for surface inspection

Let’s turn ideas into reality
— contact us today and make it happen!