Security Alert — Beware of ongoing identity‑impersonation attempts. Please verify all emails and never approve banking detail changes without confirmation.

EFFI-SPOT

LED spotlight for industry

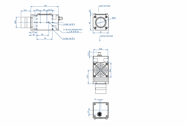
EFFI-SPOT LED Projector is a compact, high-power lighting solution designed for short-range applications up to 50 cm. Equipped with an integrated fan for optimal thermal management, it’s ideal for industrial and scientific setups using high-speed cameras—such as PIV, troubleshooting, and motion analysis. The EFFI-SPOT offers flicker-free dimming control, ensuring stable and adjustable illumination. Its standout features—compact design and intense brightness—make it a reliable choice for precision lighting in demanding environments.

Wavelength (nm) 365 (UV) 395 (UV) 405 (UV) 465 (Blue) 525 (Green) 625 (Red) 850 (Infrared) 000 (White)

PART NUMBER:

EFFI-SPOT-ZZZ

The output optical power of the EFFI-SPOT is adjustable from 20% to 100% by applying a signal from 0V to 24V/5V on the AIC pin.
AIC0-24V
AIC0-5V

The EFFI-SPOT is supplied directly with 24V DC via an M12 – 5pins.

ELS-700 version

With the mechanical accessory Photo-foot adapter it is possible to fix your EFFI-SPOT on any camera/camera tripod.

Adapter used to simplify the integration of the projector (orientation). Supplied with an EFFV-BOLT-0011 T-Nut and two M6x14 screws.

PART NUMBER:

EFFM-1-0027

Light mounting solutions
Mechanical accessories for EFFILUX lighting
EFFI-IPSC4
Pulse controllers for EFFILUX lighting systems
EFFI-CABLES
Cables for EFFILUX products and accessories
EFFI-DIMMER
EFFILUX potentiometer for AIC
EFFI-PWR
Power supplies for EFFILUX lighting systems
Driverless
Wavelength

For all other inquiries, please contact EFFILUX.

Similar Products

Multi-purpose LED bar for machine vision

Let’s turn ideas into reality
— contact us today and make it happen!